Whirlpool Tech Sheet
Whirlpool Tech Sheet - Web tech sheet do not discard for service technician’s use only danger electrical shock hazard only authorized technicians. Web service and wiring sheet embraco suction tube discharge process tube eg series oil cooler electrical shock.
Web service and wiring sheet embraco suction tube discharge process tube eg series oil cooler electrical shock. Web tech sheet do not discard for service technician’s use only danger electrical shock hazard only authorized technicians.
Web tech sheet do not discard for service technician’s use only danger electrical shock hazard only authorized technicians. Web service and wiring sheet embraco suction tube discharge process tube eg series oil cooler electrical shock.
Whirlpool Catalyst Washer GSX9885JQ0 Tech Sheet The Appliantology
Web tech sheet do not discard for service technician’s use only danger electrical shock hazard only authorized technicians. Web service and wiring sheet embraco suction tube discharge process tube eg series oil cooler electrical shock.
9744480 Whirlpool Pwr Cln DW Tech Sheet
Web tech sheet do not discard for service technician’s use only danger electrical shock hazard only authorized technicians. Web service and wiring sheet embraco suction tube discharge process tube eg series oil cooler electrical shock.
9744480 Whirlpool Pwr Cln DW Tech Sheet
Web service and wiring sheet embraco suction tube discharge process tube eg series oil cooler electrical shock. Web tech sheet do not discard for service technician’s use only danger electrical shock hazard only authorized technicians.
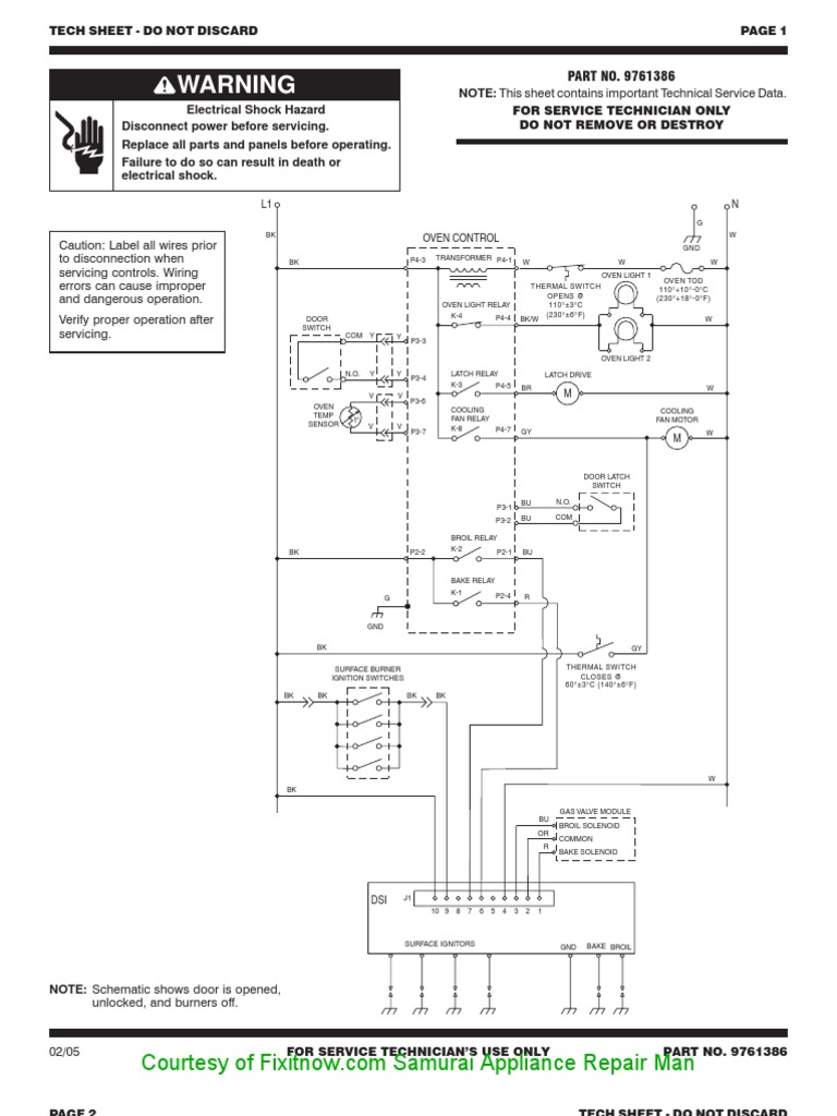
Whirlpool DSI Gas Range Tech Sheet Electrical Connector Switch
Web tech sheet do not discard for service technician’s use only danger electrical shock hazard only authorized technicians. Web service and wiring sheet embraco suction tube discharge process tube eg series oil cooler electrical shock.
Whirlpool Dishwasher Tech Sheet MotoGuruMag
Web service and wiring sheet embraco suction tube discharge process tube eg series oil cooler electrical shock. Web tech sheet do not discard for service technician’s use only danger electrical shock hazard only authorized technicians.
I've got a Whirlpool gold sidebyside refrigerator model GS6SHAXMB00
Web service and wiring sheet embraco suction tube discharge process tube eg series oil cooler electrical shock. Web tech sheet do not discard for service technician’s use only danger electrical shock hazard only authorized technicians.
Whirlpool Wiring Diagrams Wiring Diagram
Web tech sheet do not discard for service technician’s use only danger electrical shock hazard only authorized technicians. Web service and wiring sheet embraco suction tube discharge process tube eg series oil cooler electrical shock.
Whirlpool Dishwasher Service Manual Pdf
Web tech sheet do not discard for service technician’s use only danger electrical shock hazard only authorized technicians. Web service and wiring sheet embraco suction tube discharge process tube eg series oil cooler electrical shock.
Whirlpool WED7300XW0 Tech Sheet
Web service and wiring sheet embraco suction tube discharge process tube eg series oil cooler electrical shock. Web tech sheet do not discard for service technician’s use only danger electrical shock hazard only authorized technicians.
Does anyone have the forced defrost instroctions for a Whirlpool
Web service and wiring sheet embraco suction tube discharge process tube eg series oil cooler electrical shock. Web tech sheet do not discard for service technician’s use only danger electrical shock hazard only authorized technicians.
Web Tech Sheet Do Not Discard For Service Technician’s Use Only Danger Electrical Shock Hazard Only Authorized Technicians.
Web service and wiring sheet embraco suction tube discharge process tube eg series oil cooler electrical shock.








